上海上繼科技有限公司

021-57233089
您現在的位置:首頁>產品中心>繼電器>中間繼電器系列

中間繼電器系列

ZJ5中間繼電器

所屬欄目:中間繼電器系列
產品特征:

ZJ5中間繼電器用于交流操作繼電保護裝置中作為輔助繼電器,直接接于電流互感器二次回路中并由其它繼電器接點控制。

產品咨詢021-57233089 聯系我們
分享到:

ZJ5中間繼電器應用范圍


ZJ5中間繼電器用于交流操作繼電保護裝置中作為輔助繼電器,直接接于電流互感器二次回路中并由其它繼電器接點控制。


ZJ5中間繼電器主要技術數據


●額定動作電流:2.5A、5A。

●長期工作電流:10A。

●動作時間:不大于0.05s。

●功率消耗:不大于6VA。

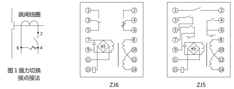
●接點形式:ZJ5四常開、ZJ6一切換一強力切換。

●如被控電路系由變流器供電,且當電流為3.5A時,其阻抗不大于4.5Ω,強力切換接點在電流到150A的情況下,能分流斷開跳閘線圈。 為消除當常閉接點沒有閉合好時可能引起開關誤動作,強力切換接點采用圖1接法。

●一般接點容量:當交流電流小于2.5A和電壓低于220V時能斷開450VA;當交流電流小于15A和電壓小于220V時能接通1000VA。長期接通電流為5A。


ZJ5中間繼電器內部接線圖及外引接線圖(正視圖)


ZJ5中間繼電器內部接線圖及外引接線圖(正視圖)


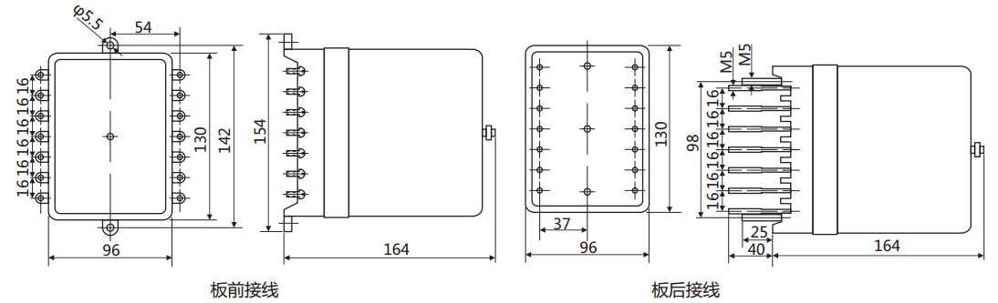
ZJ5中間繼電器安裝及開孔尺寸


ZJ5中間繼電器安裝及開孔尺寸


礦山冶金
  • 江蘇鵬飛集團
  • 陜西有色冶金礦業集團
化工、化肥、水泥、紡織
  • 山東玉皇化工集團
  • 華新水泥股份有限公司
能源、環保
  • 海潤光伏
  • 威孚高科技集團
機械電子
  • 紹興肯特機械電子有限公司
  • 華通機電股份有限公司
火電、水電
  • 青島能源熱電有限公司
  • 浙富股份
造紙、制糖、制藥
  • 金東紙業
  • 金光集團
市政基礎建設
  • 銀億公園壹號
  • 蘇河融景
原料、鋼鐵
  • 武漢鋼鐵集團
  • 鞍山鋼鐵集團公司
點擊交談
021-57233089
企業店鋪